您好,欢迎来到艾逊MRO工业品!  [登录]   [免费注册]   客户服务   联系我们   客服电话:400-8840-400

搬运、存储、工位、包材

智能存储
辅助材料
高空作业
脚轮.搬运器
工作台设备
护栏设备
建筑材料
牵引设备
升降平台.平台车
打包材料
其他梯子
物料搬运设备
作业平台
起重提升设备
存储设备
工作台柜
包装设备
工业称重

泵阀、管件、气动、液压

法兰件
管件
气源处理
气动执行元件
气动控制元件
气动辅助元件
液压动力元件
液压执行元件
液压控制元件
液压辅助元件
管件接头
空气处理件
空压机.后处理
流体控制工具
流体输送
气动辅助件
气阀类
手动阀门
液压比例阀
塑料阀门管件
气缸类
卫浴
自动阀门
液压控制阀
真空元件

刀具、量具、机床、磨具

推荐品牌
ASA JETECH/捷科 钻石 UNI-T/优利德 TIME/时代 STANLEY/史丹利 STALKER/斯德克 Schneider/施耐德 SATA/世达 Riken/理研 Rational/万濠 Panasonic/松下 Mitutoyo/三丰 landtek/兰泰 FLUKE/福禄克 ELCOMETER/易高 CHINT/正泰 BOSCH/博世 3M LINKS/哈量 飞鹿 飞轮 Klingspor/金世博 Norton/诺顿 deli/得力 SMART SENSOR/希玛 富士星 MITSUBISHI/三菱 长城 宝轮 DELIXI/德力西 Proskit/宝工 金钻 上工 DERUIMAN/德瑞曼 CRISTIN/克里斯汀 HC/恒诚 SHARPNESS/犀利 GONGZI/工字 STARRETT/施泰力 帆船牌 ICEY/冰禹 QISHENG/旗升 FESTO 金丰 日钢 XINMIN/新民 白马 日丰 华威 TADIRAN/以色列 宛丝希 CNFB/桥防 珀瑞克 Bo Fang/渤防 大白鲨 劲霸 kingdom/东升 长城精工 美科(MYTEC) Procell/致芯 Glosen/金隆兴 HiKOKI 广博 Dongcheng/东成 GC/国产 迈泊 熊猫 云南机床厂 金钟 YATO/易尔拓 TP-LINK/普联 DELL/戴尔 标康 QINSUN/旗升 HY/华阳 勇士 TAJIMA/田岛 RIGOL/普源 易高/Elcometer 上焊(工字) SHEFFIELD/钢盾 宇帆 伊莱科 新量 小太阳 西菱 西湖 无锡牌 威力士 司特尔 时代/TIME 上量 上海天然 陕量 山东福临 三丰 马尔 力得士 科路 精展 吉盛 HUANGSHAN/黄山 华宇 哈一工 哈量 国平 德工 成都广屹 ZCCCT/株洲钻石 YONGKANG/永康 鹰牌 WHITEDOVE/白鸽 VICTOR/胜利 VALUECRAFT/尚弘 Union tool/佑能 SUIDUN/遂盾 Skywalker/刃天行 SK SHANGSHA/上砂 RL/锐隆 RIRIYOU/日日友 Rifeng/日丰 PFERD/马圈 PANDA/熊猫 OSG/欧士机 Nikon/尼康 NAIBO/耐博 Nachi/不二越 MATADOR/勇士 Mahr/马尔 KULLEN/库兰 kangyi/康仪 INSIZE/英示 Guhring/钴领 GP/超霸 FLYING WHEEL/飞轮 NANFU/南孚 工霸 Metabo/麦太保 宏峰 森凡(SEVAN) 金田 GreatWall/长城 BACO/巴可 SAVA/砂威 晶花 TENGEN/天正 WURTH/伍尔特 Diamond/钻石 Clipper/帆船牌 BUEHLER/标乐 BOSI/波斯 BORIDE/必宝 Bill/比尔 Bellstone/金钟 Axcut/利斧 AIPAIER/爱派尔 3lab/三灵 敬哲 德成机床
寻边仪器
研磨附件
机夹焊接刀片
塞尺.派尺
指示表
棉麻毛抛光制品
角尺.角度尺.刀口尺
金相设备及耗材
可转位刀片
抛光研磨剂
百页轮及千叶轮
不织布.尼龙研磨产品
测量量具辅件
测量数据记录及输出
测量仪器.测量台
车床
车削刀具
打标机
带柄磨具
刀柄,刀柄附件
钢丝轮
工具类磨床
量具
刀具
钻床
螺纹加工机床
微型机床
铆压设备
坡口倒角设备
机床附件
磨具

工具、焊接、物业、福利

推荐品牌
WORX/威克士 ASA/好帮手 KILEWS/奇力速 LEGRIS/乐可利 GENTEC/捷锐 JETECH/捷科 DeWALT/得伟 STANLEY/史丹利 SATA/世达 PUMA/巨霸 Panasonic/松下 OKI Ingersoll Rand/英格索兰 Hu-Lift/虎力 HAKKO/白光 ENDURA/力易得 DEVON/大有 BOSCH/博世 3M deli/得力 ABB 凯越 百瑞 Proskit/宝工 CRISTIN/克里斯汀 ICEY/冰禹 Great Wall/长城 CNFB/桥防 BlueWorth/蓝创 KEN/锐奇 Jrready/杰瑞德 HUATAI/华泰 HiKOKI/日立 Hampoo/汉普 HAFU/哈佛 guteyi/固特易 FUJIKURA/藤仓 EDSYN/爱迪生 DUCK/德克 DELLON/德朗 COANTEC/古安泰 Beveltools/贝弗尔 BDS/德国百得 AVDEL/德仕隆 APEX/艾沛克斯 豪力顺 TORERO/斗牛士 WREN/雷恩 凯姿(KAZZ) 运磐锋 斯永达 ZIRA/知锐 CP/芝加哥气动 莱丹LEISTER CHANGLU/长鹿 UGREEN/绿联 YONK/约克 DRY/鼎润源 BERENT/百锐 ZOLEE/中联 YATO/易尔拓 GOOT/日本固特 昊迈 Dongfeng/东风 TAJIMA/田岛 上焊(工字) 西菱 HUANGSHAN/黄山 Sandvik/山特维克 ROCOL/罗哥 SNDWAY/深达威 NOMOY PET/诺摩 LINCOLN/林肯 QUICK/快克 RENNSTEIG/兰士德 yuhang/宇航 PRIMO/普锐马 BACO/巴可 Atlas Copco/阿特拉斯科普柯 Plarad/普拉多 闪电客 WURTH/伍尔特 Beta/百塔 瑞德 JERXUN京选 Wiha/威汉 PB 瑞士工具 夏钨新能源 普力捷 米勒 RUBICON/罗宾汉 京莱机械 GEDORE/吉多瑞 华丰巨箭 河北翼辰 杭州张小泉 渤海防爆 WYNNS/威力狮 Weller/威乐 WAGO/万可 TRI/中安吉泰 Thyssen/蒂森 SUPER/世霸 Stellite/司太立 Shuyao/舒耀 SANBAO/三堡 Panduit/泛达 NULL/上海神模
骑行用品
扳手.手动套筒
防爆工具
手动工具
电动工具
气动工具
液压工具
管道工具
电子焊接
弧焊设备
焊接材料
充电式工具
除渣除尘净化设备
畜牧养殖设备
锤.锉.锯.刀.尺
电工工具
电子焊接及防静电工具
电子装配机具
钉枪用钉
动力工具附件
工具车及箱包
工具套装
焊接辅助机具
焊接设备配附件
弧焊设备附件
弧焊设备配件
锯片及锯条
铆接工具
磨片及切割片
扭力工具
抛光耗材
气焊设备
汽修汽保工具
钳.夹
钳工工具
砂纸打磨耗材
数控切割设备
特种扳手
铁路维护工具
修补类耗材
园林.家装工具
钻头

工控、低压、电工、照明

自动化控制
低压控制
电线电缆
传感器
电工
室内灯具
防爆灯具
照明电子
室外灯具
光源
编码器
便携式灯具
低压成套箱柜
低压断路器
电力仪表
电线电缆和配件
电源
电阻电容电抗器
发电机
隔离电器
开关插座、接线板
工业交换机类
工业控制计算机
管件和线槽
继电器
接触器
接线端子类
可编程控制器.PLC类
雷击电涌保护器
其他配电产品
熔断器
软启动器类
综合布线产品
指令电器

工业、食品、环境、检测

粮油调味
休闲食品
安规测试
诊断及无损探伤
通用电气测量仪表
计量校准仪器
过程仪表附件
过程物位检测
过程分析检测
过程二次仪表
工程检测仪器
电力测量仪器
测量测绘仪器
便携式温度检测仪
环境检测仪
过程流量检测
防疫检测用品
气体及安全检测
过程压力检测
过程温度检测
过程数据采集与检测
电子测量仪器
电气测量
工业检测
环境检测、食品安全

紧固、密封、五金、金属

紧固件
密封
O型圈.O型圈挡圈
抱箍.卡箍
弹簧
垫圈.挡圈.平键
非六角头螺栓
分度及定位元件
钢结构用系列
骨架油封.无骨架油封
固定,旋转,折叠手柄
管法兰用非金属垫片
焊接螺钉.螺柱.螺母
机螺钉
机械密封
铰链及连接件
金属缠绕垫片
紧定手柄
紧固件套装
紧固旋钮
绝缘密封棒板材
螺母
螺纹护套.安装工具
锚栓系列
铆接系列
门控五金
密封胶条
内六角螺栓
清洗胶球.橡胶球
双头螺栓.全螺纹螺柱
水平调整件及支撑件
填料密封
铁丝及刺铁丝
外六角螺栓
液压接头用垫圈
液压密封件
自攻螺钉
组合螺丝

润滑、胶粘、化学、密封

推荐品牌
IKA/依卡 Shell/壳牌 WD-40 Loctite/乐泰 HILTI/喜利得 3M KLUBER/克鲁勃 Mobil/美孚 MOLYKOTE/摩力克 长城 正伟 ARALDITE/爱牢达 誉中 HUITIAN/回天 TONSAN/天山可赛新 乐化 永新 金贝壳 齐心 卡夫特 千居美 高登 中天固邦 康达 threebond HYLR/海洋老人 中蓝晨光 晨狐 昌全 香榭丽 创途 斩盾 双塔 正一 泰盛 鹏维 可赛新 金方圆 博格曼 新美达 吉人 三和 ICE 哥俩好 宏远 WJT/沃洁特 中盐 南大 开斯普 MACKLIN/麦克林 YUHONG/雨虹 中昊晨光 科锐 信越 HY/华阳 筎筠 晴野 SUNRUI/双瑞 earcum 姐妹花 莺黛氨 RICHU/日出 RHAWN/罗恩 派尔科 欧德素 南方能源 耐特 摩力克 密德龙 美时丽 美嘉彩 迈通 绿驰 路得 卢克伊尔 联塑 利冠德 丽彩 立立令 立邦 里其乐 蓝孔雀 蓝辉 兰海 科泽 炬油 晶海 金鱼 金钱树 金陵 金飞马 江西欣盛 江洁枫 加德士 吉顺 吉谷 回天 徽富 华阳 华美 华乐孚 华傲 虹牌 红星 恒翔 恒生源 合众 好顺千万+ 好顺居家 海怡防腐 海洋老人 海燕 海润 海联 冠伟 固尔齐 公元 发科达 东方雨虹 迪仕杰 迪清 德益 德润宝/PETROFER 德联 德邦 得时宝 Total/道达尔 达兴 晨风 车世家 博亚 碧源 北森 北化 宝玛 宝利康 帮宝 百合花 巴斯夫浩珂 安治化工 安柯 爱森 阿泰德科 ZOK ZMJW/思迈杰 zhongnan/中南 Zerust/北美防锈 ZEMIC/中航电测 YXC/誉鑫昌 YX/永新 YUKAI/宇凯 YOYIK/东方一力 YOUXING/有行 Yantai Seayu/烟台信友 WD-40/武迪 WACKER/瓦克 Voler/威尔 VIF/威伏 TOPLIA/特普朗 TONSAN/天山 TIPTOP/蒂普拓普 ThreeBond/三键 TEROSON/泰罗松 TECTYL/泰利德 Sunshine/华阳新兴 SKSHU/三棵树 Sinopec/长城 Sika/西卡 SEW SANWA/三和 SANVO/三和 ROYAL PURPLE/紫皇冠 ROVAL/罗巴鲁 ROCOL/罗哥 RLF/瑞鲁夫 RHOXON/罗森 RDXT/润典信通 RAMIMTECH/茵美特 Raifus/瑞福斯 PWT PPG POLYMER/宝莱尔 PETRO-CANADA/加拿大石油 Permatex/泰扬 PERIC/派瑞 pattex/汉高百得 TECHNOMELT HKNA 天目 万达 纽盾 森凡(SEVAN) VMP Pattex/百得 OKS/奥凯斯 OKS Nippon Paint/立邦 NILOS/尼罗斯 newTYPe/耐特 ND/奈丁 nanda/南大 MOTOREX MOON/冰轮 Momentive/迈图 MIGOBON LR/莱瑞 LEYBONOL/莱宝 LEHUA/乐化 Lauda/劳达 KunLun/昆仑 KRYTOX korniche/比尔 kafuter/卡夫特 JUBOSHI/居博士 JOTUN/佐敦 JonyeTech JIANGCHEN/匠臣 IPS IPC INPD/南方能源 IDEMITSU/出光 Hylomar HOUGHTON/好富顿 HFZ henkel/汉高 Hempel/海虹老人 Hailing/海菱 GUOGUANG/国光 GUANGMING/光明 GreatWall/长城 giraffe/长颈鹿 geliahao/哥俩好 Fusheng/复盛 FUCHS/福斯 FTPEC/飞天石化 E风 EXXSOL ELECTROLUBE/易力高 DYKEM DRIENTAL YUHONG/东方雨虹 DOWSIL/陶熙 DowCorning/道康宁 Deleo/德雷奥 DAD/电达 Cyberbond/赛博邦 CSIC/厦门双瑞 CRC Chevron/雪佛龙 Chemlok/开姆洛克 ChangGao/江西长高 Castrol/嘉实多 Caltex/加德士 BOYAA/博亚 BOSCHEE/宝驰杰 BOOYA/博亚 Biohit/百得 Bio-Circle/拜尔斯克 BEISEN/北森 BECHEM/倍可 BASF/巴斯夫 BACO/巴可 Axaltacs/艾仕得 Autotrio/欧德素 Ausbond/奥斯邦 ATS/阿特斯 Atlas Copco/阿特拉斯科普柯 Akzo Nobel/阿克苏诺贝尔 AJD/艾捷盾 7CF/漆师傅 源承 誉鑫昌 宇凯 鱼珠牌 鱼珠 优尔 永邦 庸德盐业 英轩 银晶 茵美特 熊猫教授 鑫润 鑫瑞基 鑫乐天 新春 新波绿 新比利 武立 武迪 WURTH/伍尔特 沃尔特 唯特偶 威胜包装 铁锚 铁本 天山银河 天山 速康固 斯卡兰 蜀龙 首诺 胜欧 绍兴长龙电器 上海博喷 善能 珊达 山泉 山工 赛磊那 赛恩思 润力 瑞宝 荣特 荣锦工贸 清源 普旭 PRIO/普尼奥 太阳牌
水处理化学品样
专用设备润滑油
特殊化学品
涂脂施胶工具
有机硅密封胶
厌氧型密封胶
工业润滑
食品级润滑剂
特种润滑剂
锁固/固持
快速粘结
结构粘结
密封胶
表面处理剂
导热材料
清洗防锈
车船用润滑油
金属加工液
涂料.标示
检测化学品
车间化学品

实验、仪器、设施、耗材

推荐品牌
FLUKO/弗鲁克 SENCO/申生 OHAUS/奥豪斯 Hach/哈希 BOXUN/博迅 Brand/普兰德 普申 SMART SENSOR/希玛 Precisa/普利赛斯 卢湘仪 WIGGENS/维根斯 Midea/美的 沃凯 NANMAC I-Quip/芯硅谷 上海实验仪器 开元仪器 YONGHUA/永华 高致精密 YIYU/亿裕 Haier/海尔 远光瑞翔 钰恒 友声/Yousheng 英泰 雪科 新东科学 西斯贝瑞/SYSBERY 天宇沃特 松源华兴 舒美 世泰 上虞市探矿仪器厂 瑞士万通 日富机械 谱莱密克司 梅特勒-托利多 马头牌 铃木 科德 JET BIOFIL/洁特 洁盟/Skymen 河南中分 和泰 海门麒麟 广世生物 菲斯福 长城科工贸/Greatwall 奥加诺 艾本德 ZhongYa/中亚 yuhua/予华 YINGTAI/英泰 YIHENG/一恒 XUEKE/雪科 XIANGYI/湘仪 Waters/沃特世 TANITA/百利达 Taisite/泰斯特 SYSBERY/西斯贝瑞 Sundy/三德科技 Skymen/洁盟 SICHUANG/思创精实 SHUMEI/舒美 Shimadzu/岛津 SHENAN/申安 Scientz/新芝 SCIENCETOOL/圣斯特 Satorius/赛多利斯 SANSHEN/三申 pushen/普申 NEST/耐思 四季沐歌 CORNING/康宁 CITOTEST/世泰 BIOLOGIX/巴罗克 AS ONE/亚速旺 LEIGU/垒固 LEICI/雷磁 Anke/安亭 ANGNI/昂尼 AIRTECH/苏净安泰 JEIO TECH/杰奥特 安捷伦 哈辰/HACHEN 时光旧巷 CHASHAN/茶山 HUAOU/华鸥 WURTH/伍尔特 欣维尔 鸣固 ADAM/艾德姆 MEASURETEK/东恒计量 LXY/卢湘仪 Kedao/科导 JINYUAN/金源 JINGHONG/精宏 JINGHAI/菁海 IKA/艾卡 Hitech/和泰 Greeloy/硅莱 GRANT/格兰特 FUYUE/富月 DragonLab/大龙 绿洲
力学仪器
材料性质测定
常规实验设备
温控设备
生命科学仪器
实验室耗材
实验室家具
行业分析仪器
色谱.光谱.质谱.波谱
色谱耗材
生物耗材
通用设备

消防、救援、劳保、安全

焊接防护
呼吸防护
坠落防护
安全锁
技术咨询服务
听力防护
消防员保护装备
应急处理
安全标志
安防监控
电弧防护
化学品处理.泄漏处理
消防报警系统
消防救援.照明设备
足部防护
消防设备
身体防护
手部防护
头部防护
脚部腿部防护
一次性防护
眼面部防护
道路安全
安全防护
化学品安全
化学品储存罐
吸附材料
安全储存柜
化学储存桶
防泄漏推车
化学品泄漏应急处理站
化学品分装用品

制冷、暖通、清洁、办公

推荐品牌
kshytech/华涌 SYSBEL/西斯贝尔 Brady/贝迪 KARCHER/凯驰 中兴防爆 玛德安 gojo/戈乔 Zebra/斑马 SATA/世达 Rubbermaid/乐柏美 Panasonic/松下 NORTH/诺斯 landtek/兰泰 BOSCH/博世 3M Intermec 洁霸 ETTORE/艾特瑞 JIELISI/杰丽斯 deli/得力 Weike/维科 长城 力士 ABB Metrologic ARGOX/立象 ZEBEX/巨普 RAXWELL/瑞氪维尔 JINGHUA/晶华 海康威视 MINYIN/敏胤 MOXA/摩莎科技 洁丽雅 ZHENGXIN/正新 QISHENG/旗升 国瑞 ChangLu长鹿 XHD/鑫亨达 SAMSUNG/三星 Hisense/海信 HITACHI/日立 Midea/美的 SANTO/赛拓 车之吻 Uni/三菱 斩盾 SIBAOLU/斯宝路 德国马尔 富光 富士施乐 Kenwood/建伍 YINGDA/应达 WNT/万能通 WALCH/威露士 VariMark/威码 Usign/远生 U-MACH/优玛仕 TrueColor/真彩 TRANSMATE/传美 SUPVAN/硕方 SUPOR/苏泊尔 Golden/金典 SHISEIDO/资生堂 PANTENE/潘婷 MayAir/美埃 LUX/力士 KANSA/康赛 JUF/巨风 huidong/汇东 huadong/华东 HONGSEN/鸿森 Headandshoulders/海飞丝 GUORUI/国瑞 Guarda/盾牌 FUJI XEROX/富士施乐 AIBO/爱博 Sharpie/三福 Sakura/樱花 AL-NASR/阿尔纳斯 捷晃 Haile/海乐 BOTNY/保赐利 华鲁 QUEN/坤昱 Motorola/摩托罗拉 Kingjim/锦宫 DONGPU/东普 CABELABEL/丽标 ANEOS/安内斯 BFDX/北峰 天鸣 TRUST/特耐适 HAIDI/海笛 CHANGLU/长鹿 胜为 安普康 Dongcheng/东成 GENERAL/通用 HP/惠普 哥俩好 LAUTEE/兰诗 TP-LINK/普联 EPSON/爱普生 DELL/戴尔 IM/小米 Kingston/金士顿 PHILIPS/飞利浦 金能电力 农夫果园 丛林豹 大宝 工霸 Logitech/罗技 DH/鼎红 众乐康健 BOSI/波斯 desok/涤斯欧 FUNITRIP/趣行 BOZZYS/博士 staples/史泰博
食品药品饮用水
洗护系列
医疗保健
礼品
办公日用
冰柜冰箱
电脑及配件
电脑外设
粉体.流体过滤
制冷系统
供暖供热设备
户外运动
静电无尘
空气净化过滤
空调.除湿机.加湿机
空调系统设备及配件
冷冻冷藏
商用及工业燃烧
数码影音产品及配件
通风设备
制冷.保温材料
通讯设备
制冷工具
办公家具
办公设备
HVAC仪表及楼宇控制
通风加温
供暖设备
防爆电器
防爆暖通设备
个人卫生
洗手间用品
工业擦拭
地垫及矿棉板
垃圾处理
餐饮用品
工业胶带
办公用品
清洁工具
防静电产品
无尘产品
清洁设备
清洁用品
车间办公用品

轴承、传动、电机、机械

电机
减速机
皮带
导轨丝杆
轴承
轴承工具
传动输送链
FA工厂自动化零件
标准V带
带座轴承类
电机及减速机
工程机械配件
工业机器人
广角带
滚子轴承
滑动轴承
机器人末端工装夹具
联轴器及附件
链条及链轮
皮带附件类
球轴承
设备及配件
同步带
养殖机械及配件
窄V带
轴承维护

最近浏览过的产品

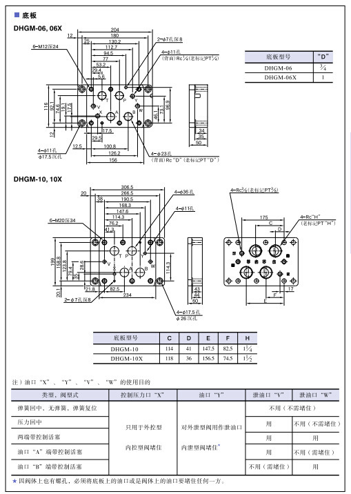
油研YUKEN DSG系列电液换向阀,产地日本,DSHG-10-3C4-T-D24-N1
油研YUKEN D...
含税价:¥10088.10

油研YUKEN DSG系列电液换向阀,产地日本,DSHG-10-3C4-T-D24-N1

艾逊订货号:B1075435
原始型号:油研YUKEN DSG系列电液换向阀,产地日本,DSHG-10-3C4-T-D24-N1
品牌:Yuken/油研
品牌所属地:中国

市场价:10088.10(不含运费)
产品介绍:

发货周期:现货
最小订货量:1 个

数量
准确并及时地满足客户需求是艾逊第一使命!
工作时间:周一至周五 8:30-17:30
产品描述   技术参数   包装参数   技术文档
 
AIXUN艾逊提供

Yuken/油研的换向阀油研YUKENDSG系列电液换向阀,产地日本,DSHG-10-3C4-T-D24-N1
品牌 Yuken/油研
类别 电液换向阀
系列 DSHG
工作压力(Mpa) 31.5
回油口允许最高背压(Mpa) 21
滑阀弹簧安装形式 弹簧复位
接线形式 接线盒






















相关产品:

 图片  名称  货号  折扣价  操作
   油研YUKEN DSG系列电液换向阀,产地日本,DSHG-10-3C4-T-A200-N1  B1075436  10088.10  查看
True
作为众多知名品牌的合作伙伴,AIXUN艾逊以其优良的品质和服务来保证阁下员工的职业健康,安全环境和美好未来。